您好!欢迎访问浙江龙八头号玩家唯一电气有限公司官网!

全国免费咨询热线:

0577-62760566  18857729772(微信同号)

联系我们

全国咨询热线:

0577-62760566

浙江龙八头号玩家唯一电气有限公司

传真:0577-62760866

邮箱:1109991113@qq.com

地址:浙江省乐清市柳市镇浃底村

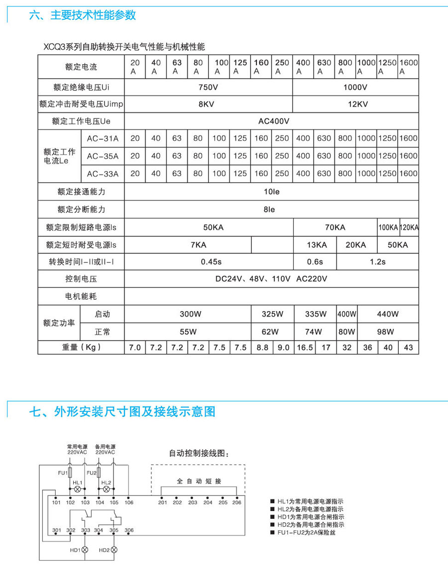
双电源开关

XCQ3双电源自动转换开关(PC级)



上一个产品:XCQ2双电源自动转换开关(CB级) 下一个产品:没有了

电话:0577-62760566

手机:18857729772(微信同号)

地址:浙江省乐清市柳市镇浃底村

0577-62760566

周一到周五 8:00-17:00

E-mail:

1109991113@qq.com